TS-ogn

Toyota Sportscar - Owners Group Norway 

  • Servostyring + Datasprut...

  • Teknisk diskusjon / spørsmÃ¥l rundt MR2
Teknisk diskusjon / spørsmål rundt MR2

 #155612  av TheStig
 
men går virkelig 14" felger på bremsee ?

 #155613  av FireWalk
 
TheStig skrev:men går virkelig 14" felger på bremsee ?
Nei si det.. :P har ingen planer om å teste dem :p får vel bare smøre meg med tilmodighet og vente på sommeren :-)

 #155667  av Kristian
 
14" går ikke om det er snakk om revisjon 2 av MR2 som har større bremser, men med tanke på at denne kom i 93 i USA er det vel Firewalk som vet best hvilken revisjon hans amerikanske 93-modell er :)

om du ikke skal kjøre så langt til verkstedet, sett på noen kjettinger eller autosock eller noe slikt :D

 #155672  av FireWalk
 
hehe.. tenkte på det. men kjettinger er vel bare beregnet for å kjøre opp en bratt bakke f.eks? dette blir vel ca 7 km hver vei.

MEN! I dag har det faktisk begynt å tine her! 5 varmegrader ute og sol! i byen har snøen forsvunnet helt fra veiene, men på den strekningen jeg skal kjøre nå så er det skygge av et fjell, så der ligger snøen enda. Regner med den er forsvunnet til i morgen om temperaturen fortsetter å stige.

Typisk ålesund/vestlands vær dette her. Snø og minusgrader en dag, også sørpe, sol og plussgrader dagen derpå... Ikke særlig stabilt med andre ord :-)

 #155675  av Kristian
 
har sett postbiler her i distriktet kjøre med kjetting på fast basis når det er snø, men, hadde vært rett for at det skulle ha skadet bilen selv jeg da men monteres det skikkelig uten slakk så skal det gå jo fint. Ubehagelig tur og jeg hadde ikke kjøre spesiellt fort, synd for de som ligger bak :D Nei 7km var litt langt ja..

 #155680  av TheStig
 
men om man tar det med ro så funker sommerdekk litt da.. Er bare morro å skli litt.. Kjørte med sommerdekk ut i februar me puggen min, og det i nordnorge.. Skiftet da jeg ble lei av å måtte rygge opp gaten min hver gang det ble mildere enn -5 :P

 #169856  av FireWalk
 
Da var datasprutet i kontroll av alt, orginal ecu styrer ikke noe lenger. Men det merkes jo også ved at jeg ikke lenger har servostyring. Er grusomt tungt å lukeparkere nå. :P

Noen som har nen gode forslag til hvordan få servostyringen til å funke igjen uten orginal ecu? den orginale står der enda, men styrer jo ingenting lenger.

Jeg mistet turtall signalet også fordi vi koblet ifra coilen og kjører doble coil pakker nå istedet for å bruke fordeler. Dette problemet løste vi forsåvidt fort, men så var det den servostyringen da.. har lest litt om dette nå men kan ikke si jeg har blitt noe klokere på det..

Så om det er noen som har hatt et lignende problem i anledning ombygging til datasprut, så hadde det vært fint om dere kunne komme med en fiks løsning :)

 #169902  av TheStig
 
så du er sikker på at du ikke har servo pga utkobbling av ecu? Tenkte siden dere sikkert har kobblet og fikklet med mye forskjellige plugger og ledninger ..

 #169912  av FireWalk
 
TheStig skrev:så du er sikker på at du ikke har servo pga utkobbling av ecu? Tenkte siden dere sikkert har kobblet og fikklet med mye forskjellige plugger og ledninger ..
Ja den forsvant samtidig som vi koblet fra hele ecuen og fjernet fordeleren for å kjøre doble coiler istedet...

RPM signalet tar den jo fra coilen, så vi måtte trikse til litt når vi brukte to coiler, ellers ble det jo bare 500 rpm vist på speedometeret når det i realiteten var 1000 rpm :p

Men hvordan ECU styrer servostyringen det aner jeg faktisk ikke. Prøvde en del forskjellige uten resultat. Tror vi nok må prøve å få datasprutet til å styre servostyringen selv.. :twisted:

 #169919  av Larsen
 
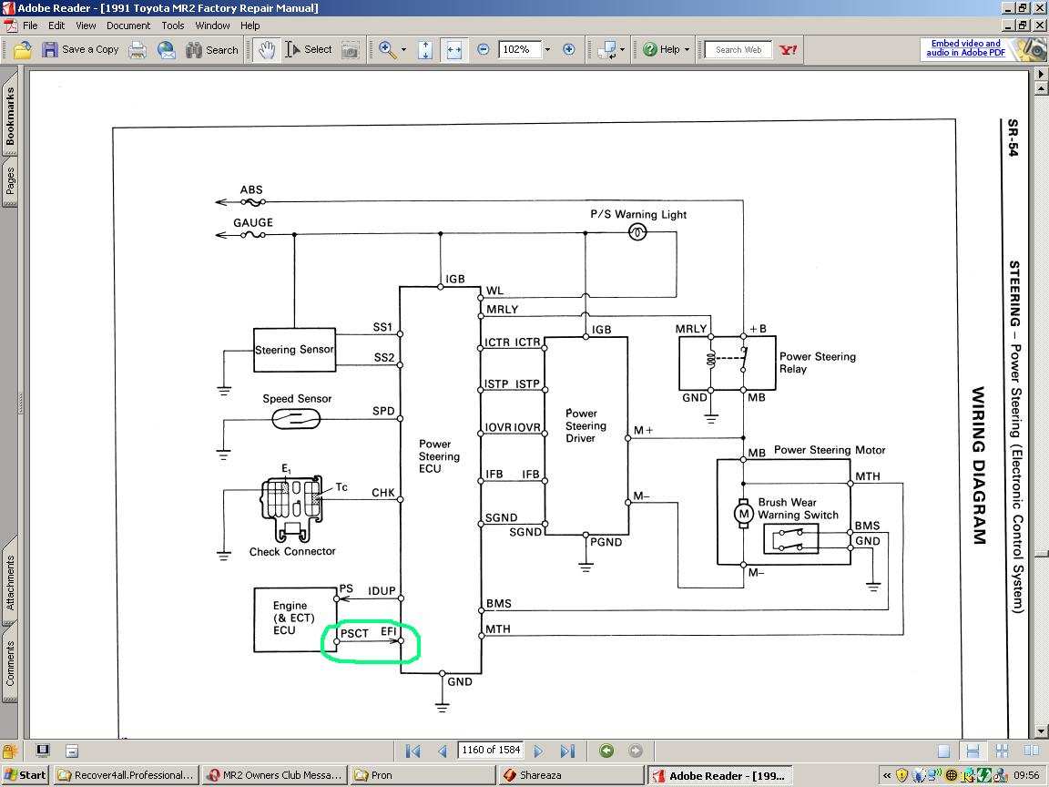
ser ut som at vis du legger denne til jord så vil pumpa til så vil servo styringa starte. Tror den kan reguleres med en spenning mellom 0-5 volt.
The power steering is activated by a pull-to-ground output from the ECU. Set your Megasquirt (if possible) to turn this output on when the engine is running (>300 RPM).
Vedlegg
servo.JPG
servo.JPG (87.57 kiB) Vist 217 ganger

 #169937  av sleeper
 
Larsen skrev:ser ut som at vis du legger denne til jord så vil pumpa til så vil servo styringa starte. Tror den kan reguleres med en spenning mellom 0-5 volt.
The power steering is activated by a pull-to-ground output from the ECU. Set your Megasquirt (if possible) to turn this output on when the engine is running (>300 RPM).
hva med og bare bruke også koble inn et potensimeter? da kan du justere hvor hard du vil ha servostyringa manuelt.. :D

 #169979  av FireWalk
 
Larsen skrev:ser ut som at vis du legger denne til jord så vil pumpa til så vil servo styringa starte. Tror den kan reguleres med en spenning mellom 0-5 volt.
The power steering is activated by a pull-to-ground output from the ECU. Set your Megasquirt (if possible) to turn this output on when the engine is running (>300 RPM).
Det er vel en liten boks som styrer servostyringa utifra speed signal den får inn ? Det er jo tross alt progresiv servo dette her. Mye servohjelp i lav fart og lite på høy fart. Kjipt med FULL servostyring i 120 km/t f.eks....

Så tingen nå er bare at den kobles helt ut pga orginal ECU er vekk, om vi gir den det signalet så vil den fungere 100% slik den gjorde orginalt? eventuelt om vi gir den speed signalet fra ecu som det ser ut til at den får?

 #170046  av Christian
 
sleeper skrev:
Larsen skrev:ser ut som at vis du legger denne til jord så vil pumpa til så vil servo styringa starte. Tror den kan reguleres med en spenning mellom 0-5 volt.
The power steering is activated by a pull-to-ground output from the ECU. Set your Megasquirt (if possible) to turn this output on when the engine is running (>300 RPM).
hva med og bare bruke også koble inn et potensimeter? da kan du justere hvor hard du vil ha servostyringa manuelt.. :D
Høres ut som en plan det :)

 #170118  av Larsen
 
Du har vel ikke hastighets signal i på ms helle da. Hvis du hadde hatt en ledig utgang så kunne du vel fått noen til å legge in noen koder slik at den fungerte slik den skulle? Eller som sagt, så kan du jo bruke et potensimeter og bare sette den halvveis slik at du fikk en mellomting.

 #170126  av Andy_Celica
 
slik jeg har fortått det er at servopumpa kobler seg ut mekanisk, når den når et vist turtal, da vil delenen inne i servopumpa ikke fungere slik de fungerer når den har et lavt turtal, hvis dere har overhalt den servopumpa før, har den et hjul med en del løse kompnenter, og ved et vist turtal vil de gli helt ut og ikke hjelpe til å pume olja rundt.

muligens jeg tar helt feil, men det er ihvertfal min teori, siden det på min bil ikke er koblet på noen kontakt, ledninger osv.

men det er en st205 og det er jo ikke sikkert det er likt på en sw20

Gi meg gjerne tilbakemeldinger hvis jeg er helt på bærtur! :oops: